妈妈外婆都是我🔞的女人❌ Products|Trough Rollers|Impact Rollers|Bend Pulley|Conveyor Components-Huzhou Tianhe Machinery Co., Ltd.
Your Position:Home - Products -
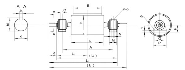
Drive pulley

 ↑Click the picture see larger image


Besides we can manufacture the rollers and idlers according to the buyers' requirements


1. Divided into two categories: driving pulley and averting pulley, driving pulley is the main part for transmitting the power and there are two kinds of pulley sets: smooth surface and rubber surface, and rubber surface can be classified into smooth rubber surface, herringbone rubber surface and diamond rubber surface to meet different technical requirements. Averting pulley can be classified into smooth rubber surface and smooth steel surface.
2. According to the structural style, the two type pulley can be divided into three light duty, medium duty and heavy duty.
3. All the pulleys adopt integrated bearing housing which is lubricated and filled with grease and has two kinds: iron casting and steel casting, the shaft is made of 45# steel, the shell adopt weld assembly.
4. Based on the above design, the pulley is reasonably structured, convenient type selected, performance reliable, long life time.   
5. Advantage: High reliability even in wet,clayey and muddy operation comditions;
Protection of the belt through elastic rubber base.




Previous Product: Trough Idler-TD75 type
Next Product: Bend Pulley
总 公 司急 速 版WAP 站H5 版无线端AI 智能3G 站4G 站5G 站6G 站
 
·